新宝凯(深圳)电气有限公司

户内高压真空断路器

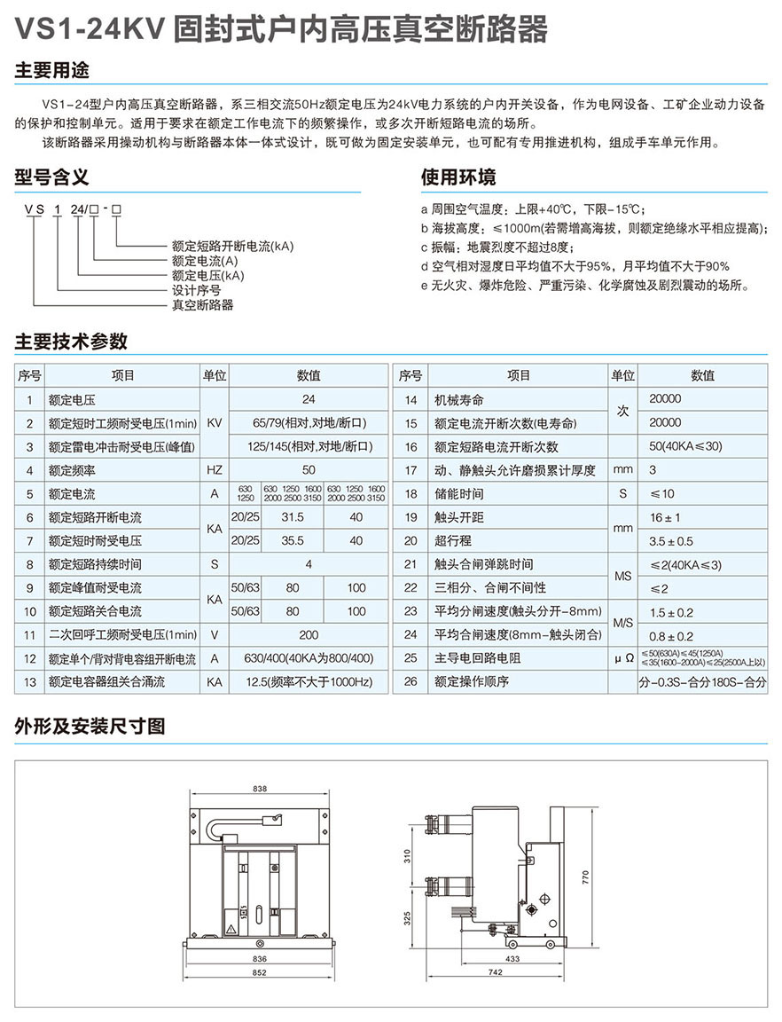
XBKS1(XBKV1)(VS1)(ZN63)-24KV固封式户内高压真空断路器

如果您有任何问题可以联系我们!

点击
隐藏

微信
咨询


扫一扫加我微信

电话
咨询

13868302777
客服热线

⚠️ 您的浏览器版本过低,可能无法正常使用本网站的全部功能。建议使用 ChromeFirefoxEdge 浏览器访问。